RUS  ENG 

Export a longitudinal profile

Export a longitudinal profile to DXF

ZuluGaz Online Help «Export a longitudinal profile»

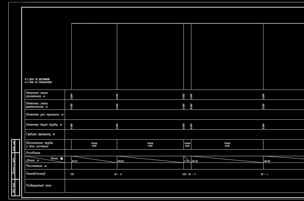
A longitudinal profile of a gas network is exported to a DXF file format – supported by Kompas, AutoCad and other CAD systems.

A profile table is filled in automatically based on the information stored in a database and displayed on a map.

The look of the profile, vertical and horizontal scale, sheet format, well width, line weight and text height are configured by the user.