Добавлены новые схемы ЦТП с насосным смешением
|
Схема
|
Пьезографик
|
|
|
Насос на подающем
Шайба на подающем |
|
|
|
Насос на подающем Шайба на обратном |
|
|
|
Насос на обратном Шайба на подающем |
|
|
|
Насос на обратном Шайба на обратном |
|
|
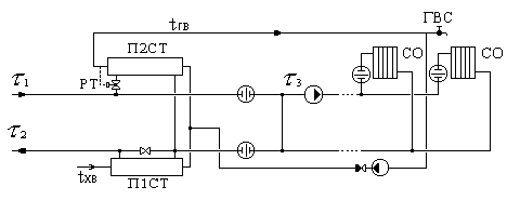
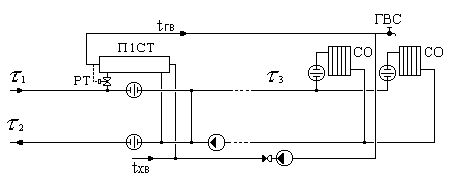
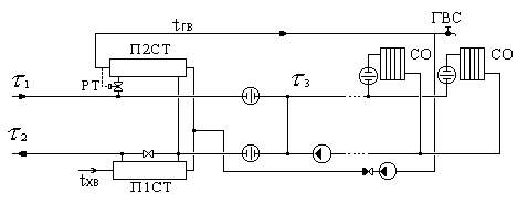
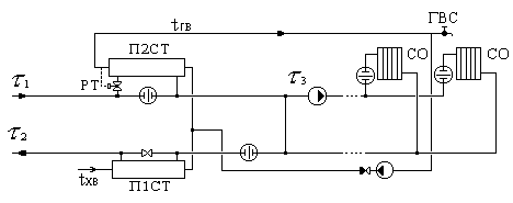
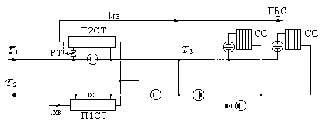
В расчет включены схемы смешения на ЦТП с установкой насосов cмешения на подающем или обратном трубопроводе.
| Схема | Насос | ГВС |
|
21
|
На подающем | Отсутствует |
| 22 | На обратном | Отсутствует |
| 23 | На подающем | Параллельная |
| 24 | На обратном | Параллельная |
| 25 | На подающем | Двухступенчатая смешанная |
| 26 | На обратном | Двухступенчатая смешанная |
| 27 | На подающем | Двухступенчатая последовательная |
| 28 | На обратном | Двухступенчатая последовательная |
Для каждой из этих схем шайба перед перемычкой подбирается на подающем или обратном трубопроводе в зависимости от значения поля Regul_G (Способ дросселирования на ЦТП):
- 0 - шайба на подающем
- 1 - шайба на обратном
Для схем с установкой насоса на подающем трубопроводе значение располагаемого напора после узла смешения следует задавать в поле Hnz_ras (Располагаемый напор второго контура, м).
Для схем с установкой насоса на обратном трубопроводе значение напора в обратном трубопроводе после узла смешения следует задавать в поле Hnz_obr (Напор в обратнике второго контура, м).
|
21
|
|
| 22 |
|
| 23 |
|
| 24 |
|
| 25 |
|
| 26 |
|
| 27 |
|
| 28 |
|
Балансовый коэффициент для закрытых схем ГВС
В структуры таблиц по ЦТП и ИТП добавлено новое поле
| Поле | Тип | Название |
|
Kb |
Число | Балансовый коэффициент |
Значение этого поля используется при определении балансовой нагрузки в наладочном расчете для закрытых схем ГВС. Балансовая нагрузка определяется как средняя нагрузка ГВС, умноженная на балансовый коэффициент. Коэффициент позволяет пользователю регулировать величину нагрузки (и расхода) на которую производится наладка.
Если значение поля не задано или само поле в структуре отсутствует, расчет берет значение коэффициента по умолчанию: 1.15 для одноступенчатой схемы, 1.1 для двухступенчатой смешанной, 1.25 для двухступенчатой последовательной.
Для добавления новых полей в структуры таблиц по потребителям и ЦТП нужно в закладке Сервис панели ZuluThermo после выбора нужного слоя нажать кнопку Обновить структуры таблиц.