|
Паспортизация. Центральные тепловые пункты ЦТП.
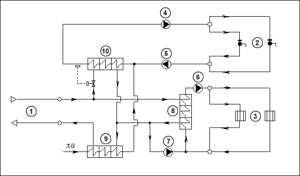
ЦТП является объектом системы теплоснабжения, связывающим распределительные (квартальные) сети II контура с элементами магистральной тепловой сети I контура. На рисунке представлена принципиальная схема ЦТП, предназначенного для подключения четырехтрубной квартальной тепловой сети (II контур) к магистральной тепловой сети (I контур).

Обозначения, принятые на схеме ЦТП:
1 – магистральная тепловая сеть источника тепла
2 – квартальные тепловые сети зон ГВС II контура
3 – квартальные тепловые сети зон отопления (ОВ) II контура
4 – сетевой насос ГВС II контура
5 – циркуляционный насос ГВС II контура
6 – сетевой насос ОВ II контура
7 – подпиточный насос ОВ II контура
8 – теплообменник отопления ЦТП
9 – теплообменник ГВС 1 ступени
10 – теплообменник ГВС 2 ступени
- ввод холодной воды на ЦТП
Для редактирования и просмотра информации, характеризующей ЦТП следует щелкнуть левой кнопкой мышки на узле ЦТП в дереве задач главной формы приложения
|

|
Паспортизация
|
|
|

|
Объекты систем теплоснабжения
|
|
|
|

|
Системы теплоснабжения водой
|
|
|
|
|

|
ЦТП
|

Слева в верхней части формы размещается элемент, представляющий котельные и магистральные зоны теплоснабжения котельных в виде иерархической структуры.

Узлы котельных в иерархической структуре маркируются пиктограммой , а узлы магистральных зон - пиктограммой . Щелчок левой кнопкой мышки на узле иерархической структуры, делает соответствующий объект системы теплоснабжения активным, а наименование активного объекта СТС отображается в поле над элементом паспортизации ЦТП.
В таблице данных паспортизации ЦТП отображаются те записи, которые отвечают ЦТП, получающим тепло от активного объекта системы теплоснабжения, выбранного в дереве иерархической структуры.
Назначение полей таблицы паспортизации ЦТП
|
Поле
|
Описание поля
|
|
Имя ЦТП
|
Наименование ЦТП
|
|
Адрес ЦТП
|
Адрес ЦТП
|
|
Теплоснабжающая организация-владелец
|
Теплоснабжающая организация, на балансе которой находится данный ЦТП. Значение поля выбирается из списка, сформированного на базе таблицы теплоснабжающих организаций .
|
|
Система теплоснабжения
|
Система теплоснабжения, к которой относится данный ЦТП. Значение поля выбирается из списка, сформированного на базе таблицы систем теплоснабжения 
|
|
Схема подключения ОВ II контура
|
Способ подключения зон отопления и вентиляции II контура к магистральной тепловой сети. Значение поля выбирается из списка
- зоны ОВ отсутствуют
- зависимая
- независимая
- непосредственная
|
|
Сетевые насосы ОВ II контура
|
Наличие и место установки насосов для подачи воды в подающие трубопроводы зон ОВ II контура, значение поля выбирается из списка.
|
|
Подпиточные насосы ОВ II контура
|
Наличие насосов для подпитки тепловой сети зон ОВ II контура.
|
|
Схема подключения ГВС II контура
|
Способ подключения зон отопления и вентиляции II контура к магистральной тепловой сети. Значение поля выбирается из списка
- зоны ГВС отсутствуют
- открытая
- закрытая параллельная
- закрытая смешанная
- закрытая последовательная
- закрытая предвключенная
|
|
Регулятор температуры ГВС
|
Наличие регулятора температуры воды в подающем трубопроводе зон ГВС II контура.
|
|
Отбор воды на ГВС II контура
|
Трубопровод отбора воды из магистральной тепловой сети при открытой схеме подключения зон ГВС II контура без регулятора температуры. Значение поля выбирается из списка
|
|
Сетевые насосы ГВС II контура
|
Наличие и место установки насосов для подачи воды в подающие трубопроводы зон ГВС II контура.
|
|
Циркуляционные насосы ГВС II контура
|
Наличие циркуляционных насосов в тепловой сети зон ГВС II контура.
|
|
ЦТП на балансе потребителей
|
Указатель балансовой принадлежности ЦТП. Если флажок отмечен галочкой, то это означает, что ЦТП находится на балансе потребителей тепла, в противном случае ЦТП находится на балансе теплоснабжающего предприятия.
|
|

|
Для добавления нового ЦТП следует в элементе иерархической структуры выполнить щелчок левой кнопкой мышки на узле, представляющем собой магистральную зону сетевой воды, от которой предполагаемый к добавлению ЦТП получает тепло, затем нажать на кнопку на панели управления записями и далее вводить значения характеристик, присущих данному ЦТП, в соответствующие поля таблицы паспортизации.
Внимание! Добавление нового ЦТП возможно только в случае, если активным объектом СТС является магистральная зона сетевой воды, но не котельная.
|
В контексте паспортизации ЦТП приложением предусмотрены следующие сопутствующие процедуры
Сопутствующие процедуры Схема подключения II контура отопления/ГВС позволяют указать принципиальную схему, принятую на данном ЦТП для подключения тепловой сети II контура.
Группа кнопок, размещенных в элементе Оборудование ЦТП, служит для паспортизации оборудования текущего ЦТП. Для редактирования и просмотра информации по оборудованию, установленном в ЦТП, следует нажать на соответствующую кнопку в ячейке элемента Оборудование ЦТП.
|
Оборудование ЦТП
|
|
|
Зоны II контура 
|
Узлы учета сетевой воды II контура 
|
|
Сетевые насосы отопления 
|
Узлы учета холодной воды ЦТП 
|
|
Подпиточные насосы отопления 
|
Здание ЦТП 
|
|
Сетевые насосы ГВС 
|
Электросчетчики ЦТП 
|
|
Циркуляционные насосы ГВС 
|
Токоприемники ЦТП 
|
|
Насосы холодной воды 
|
Средства автоматики, регулирования, защиты 
|
|
Теплообменники ЦТП 
|
|
Элемент контрольного расчета 
|

|
Параметр
|
Значение
|
|
Исходные данные к контрольному расчету
|
|
Режим теплоснабжения
|
Режим теплоснабжения: отопительный / межотопительный
|
|
Тем-ра нар. воздуха
|
Температура наружного воздуха
|
|
Результаты контрольного расчета
|
|
Тепло ЦТП
|
Расход тепла, поступившего на ЦТП из магистральной тепловой сети в условиях, заданных к контрольному расчету.
|
|
Расход в подающую
|
Расход воды, поступившей из подающей магистрали зоны на ЦТП
|
|
Тем-ра в подающей
|
Температура воды в подающей магистрали зоны
|
|
Расход в обратную
|
Расход воды, поступившей в обратную магистраль зоны из ЦТП
|
|
Тем-ра в обратной
|
Температура воды, поступившей в обратную магистраль зоны от ЦТП
|
|
Потери воды
|
Потери сетевой воды в ЦТП
|
|