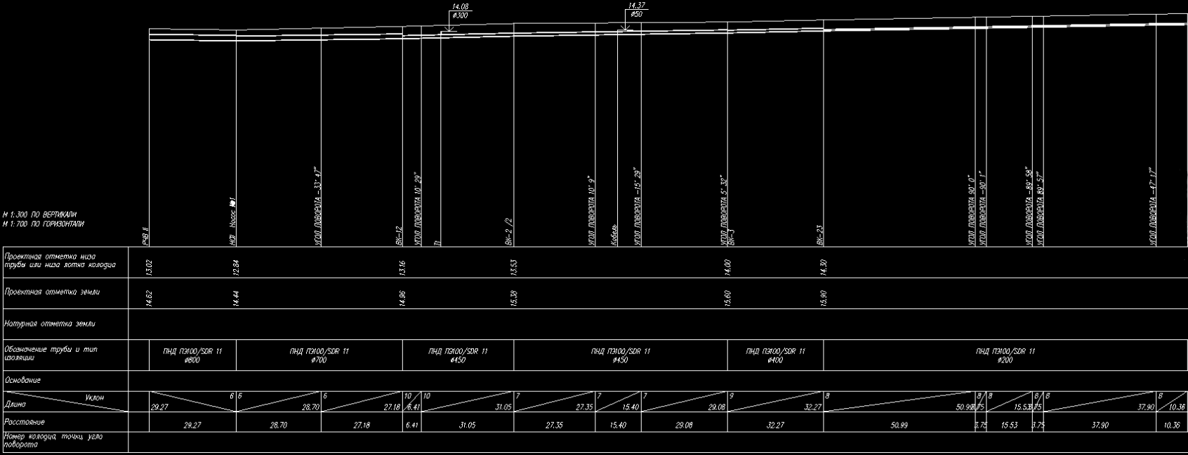
ZuluHydro позволяет построить и экспортировать продольный профиль водопроводной сети в DXF формат (для дальнейшего оформления в Компас, AutoCAD и других САПР). Профиль строится на основании высотной информации, а таблица профиля заполняется автоматически – на основании данных из базы данных и графического изображения объектов (углы поворотов берутся с карты). Высотная информация по объектам сети указывается пользователем или может быть автоматически считана со слоя рельефа. На продольном профиле отображаются:
объекты водопроводной сети;
углы поворотов;
пересечения с другими коммуникациями.
Внешний вид профиля – вертикальный и горизонтальные масштабы, формат листа, вес линий и высота текста – настраиваются пользователем при экспорте.

Рисунок 325. Фрагмент экспорта продольного профиля водопроводной сети
Смотрите также: